Особенности золоуловителей ЗУ-0,6
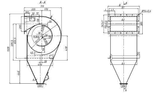
За счет своего строения золоуловители способны улавливать мелкие частицы летучей золы, которые могут оседать впоследствии на дыхательных путях человека. Золоуловители ЗУ-0,6 относятся к циклону горизонтального типа. Они направлены на очищение дымовых газов сухим способом, используя при этом возникающие в процессе силы инерции и центробежные силы. У подобных устройств довольно большой КПД, хоть и их строение отличается своей простотой. В верхней части конструкции золоуловителя находится входной фланец, через который и поступают дымовые газы. Короб, в который поступает газ, имеет ограниченное пространство. За счет этого газ начинает перемещаться, создается инерция, за счет чего и происходит дальнейшая работа. Газ опускается в нижнюю часть короба. На стенках оседает зола и за счет собственного веса падает в следующую часть золоуловителя — приемный бункер. После этого уже очищенный газ выходит из золоуловителя ЗУ через крупное отверстие, находящееся на боковой стенке устройства. Зола же в свою очередь удаляется через шибер.
Требования к монтажу золоуловителей ЗУ-0,6
Установка золоуловителей происходит только на всасывающей стороне дымососов. При этом у индивидуальных золоуловителей не должно быть обводных газоходов. Во время эксплуатации требуется соблюдение некоторых условий. Во-первых, рекомендованная температура поступающих для очистки газов не должна быть выше 280 °C. Во-вторых, температура внешней среды может колебаться от -60 до +40 °C. И, в-третьих, золоуловители ЗУ могут быть установлены как в помещении котельной, так и за ее пределами.


